首页
走进我们
公司简介
荣誉资质
工厂全景
产品中心
砂磨机
搅拌机
服务支持
资讯中心
公司动态
行业新闻
联系我们
15852683929
产品中心
一切根据客户需求专业定制
VERTICAL BEAD MILL(立式砂磨机)
产品特点
符合于相对研磨较粗的材料. 可以制作料不循环浆料模式 (ATTRITOR), 和循环式模式.
咨询我们 >
产品详情
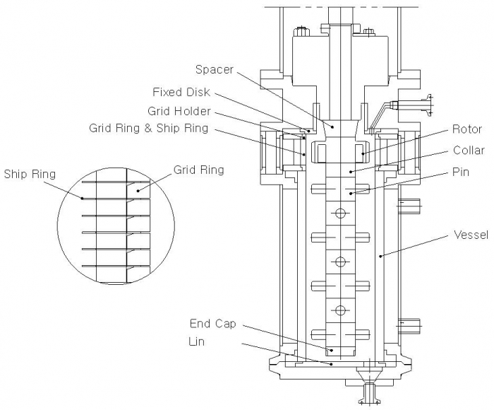
● 特性
- 粉碎,分散的优秀性 : 构成立式筒体, 研磨过程中利用戗重力的原理提高效率.
- 珠子的小型化 : 本公司独自设计的分离器使浆料形成流路会更顺利排出浆料.
- 选择内部材质 : 根据使用原料,可选择研磨结构件.
- 维持管理优秀 : 立式砂磨机的优势在于损耗品的经济型交换, 采用了棒销式构造, 而只要交换新的研磨棒就能节省耗材消费.
● 用途
陶瓷, 玻璃, 磁性粉末, 电子材料, 墨水, 涂料, 涂层材料, 粉碎分散, 医药制作
* 容量标准为研磨筒体的体积
使用珠子: Ø0.3~3.0㎜
事项
VBM-1L
VBM-3L
VBM-5L
VBM-14.5L
VBM-27L
容量 (ℓ)
1.1
3
5
13
27
长度 L(mm)
832
1190
1068
1550
1605
宽度 W(mm)
710
806
900
1050
1330
高度 H(mm)
1170
1820
1770
1990
2510
电机 (kW)
5.5
7.5
15
22
37
重量 (kg)
600
750
900
1200
2200